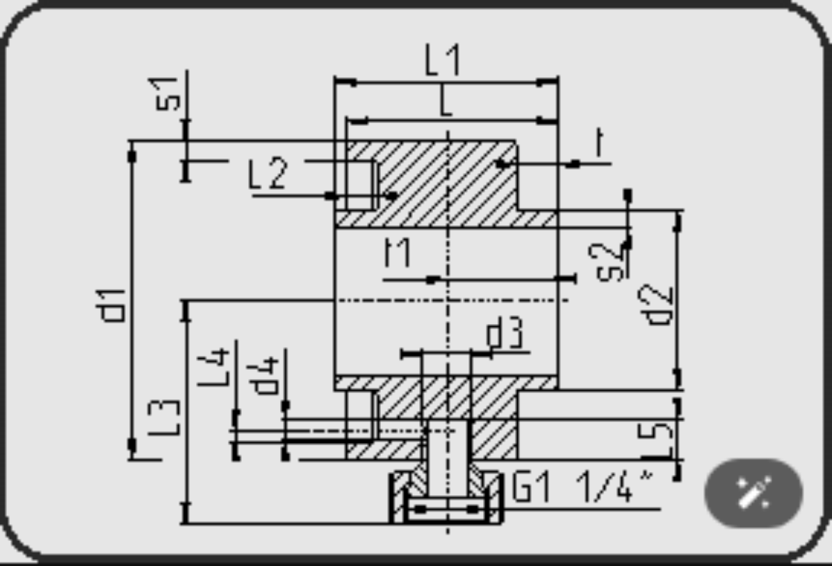
Делитель глухой / 141
| Размер | Артикул | Номенклатура | SDR1 | SDR2 | L mm |
s1 mm |
s2 mm |
d1 mm |
d2 mm |
d3 mm |
L1 mm |
L2 mm |
L3 mm |
L4 mm |
L5 mm |
d4 mm |
t1 mm |
вес |
| 160/90 | 80.141.1690.37 | 160/90 SDR33/17 | 33 | 17 | 100 | 4,9 | 5,4 | 160 | 90 | 24 | 106 | 15 | 112 | 5,5 | 16 | 10 | 55,5 | 0.880 |
| 160/90 | 80.141.1690.31 | 160/90 SDR33/11 | 33 | 11 | 100 | 4,9 | 8,2 | 160 | 90 | 24 | 106 | 15 | 112 | 5,5 | 16 | 10 | 55,5 | 0.960 |
| 280/160 | 80.141.2816.31 | 280/160 SDR33/11 | 33 | 11 | 100 | 8,6 | 14,6 | 280 | 160 | 24 | 106 | 15 | 172 | 5,5 | 20 | 10 | 55,5 | 2.280 |
| 315/200 | 80.141.3120.31 | 315/200 SDR33/11 | 33 | 11 | 100 | 9,7 | 18,2 | 315 | 200 | 24 | 106 | 15 | 190 | 5,5 | 21 | 10 | 55,5 | 2.760 |
| 355/250 | 80.141.3525.31 | 355/250 SDR33/11 | 33 | 11 | 100 | 10,9 | 22,8 | 355 | 250 | 24 | 106 | 15 | 210 | 5,5 | 22 | 10 | 55,5 | 3.290 |

